電話:15817488109
19年專注控制電機設計及研發
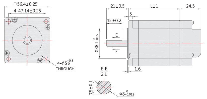
57mm一體式脈沖型步進電機采用32位DSP數字處理技術。
電機和驅動一體化,節省接線人工,減少安裝空間。
內置微步細分算法,實現低細分控制指令,高細分運行效果。
電流設定方便,可在1.5-5.6A(峰值)之間任意選擇。
細分設定范圍為200-1200。內置高細分和平滑濾波功能。
具有過壓、欠壓、過流等保護功能。
15817488109
在線咨詢
型號
保持力矩
(N.m)
額定電流
(A)
轉動慣量
(g.cm2)
機身長
(mm)
ISM2302
1.41
3.5
280
≤56
ISM2304
2.44
4.2
520
≤80
溫馨提示:
1、接線時要注意電源正負極切勿反接。
2、采用開關電源時,電源的輸出電流應大于或等于驅動器的工作電流。
上一款產品:42mm一體式脈沖型步進電機
下一款產品:42mm二相閉環步進電機
電話: 15817488109
企業郵箱: songqing@hamderburg.com
地址:深圳市寶安區西鄉鶴州工業區華佳工業園4棟3樓